一楼一凤论坛的最新消息今天,品茶qm论坛官网,苏州夜网龙凤论坛,五一风流论坛全国唯一官网查询

安诗曼工业除湿机厂家专业生产工业除湿机,家用除湿机,商用除湿机等产品,欢迎来电咨询定制。 公司简介 | 研发团队 | 网站地图 | xml地图
安诗曼-精芯除湿·致净生活环境温度湿度系统化解决方案供应商
全国咨询热线:133-6050-3273
您的位置:新闻资讯 > 行业动态 > 全面简析风冷??榛椋ㄔ?、结构、热回收及安装要点)

全面简析风冷??榛椋ㄔ怼⒔峁?、热回收及安装要点)

作者:CEO 时间:2022-07-29 点击:0

信息摘要:风冷??榛榈闹饕氐?、是以空气为冷(热)源,以水为供冷(热)介质的中央空调机组,即冷凝器为翅片式换热器,蒸发器为水氟换热应用的换热器,如套管、壳管及板式换热器等。v2、作为冷热源兼用型的一体化设备,风冷热泵省却了冷却塔、冷却水泵、锅炉以及相应管道系统等多种辅件,系统结构简单,安装空间节省,维护管理方便而且节约能源,尤其适用于水源缺乏区域。3、风

全面简析风冷模块机组(原理、结构、热回收及安装要点)

全面简析风冷模块机组(原理、结构、热回收及安装要点)

  风冷??榛榈闹饕氐?/strong>

  1、是以空气为冷(热)源,以水为供冷(热)介质的中央空调机组,即冷凝器为翅片式换热器,蒸发器为水氟换热应用的换热器,如套管、壳管及板式换热器等。

  v2、作为冷热源兼用型的一体化设备,风冷热泵省却了冷却塔、冷却水泵、锅炉以及相应管道系统等多种辅件,系统结构简单,安装空间节省,维护管理方便而且节约能源,尤其适用于水源缺乏区域。

  3、风冷热泵机组通常是许多冬冷夏热,既无供热锅炉,又无供热热网,或热网供热时间短、不稳定,要求全年空调的暖通工程设计中优先选用的有效补充。

  4、其与风机盘管、空调箱等末端装置所组成的集中、半集中式中央空调系统具有布置灵活、控制方式多样等优点。

  机组工作原理

  制冷模式

  工业除湿机厂家

  压缩机排出的制冷剂高温气体在风侧换热器中冷凝成液体,经节流装置节流降压,进入水侧换热器,吸收热量蒸发后回到压缩机,完成一个制冷循环;同时,从室内来的空调用水经过水侧换热器后被冷却降温。

  制热模式

  工业除湿机厂家

  压缩机排出的制冷剂高温气体在水侧换热器中冷凝成液体,经节流装置节流降压,进入风侧换热器,吸收热量蒸发后回到压缩机,完成一个制热循环;同时,从室内来的空调用水经过水侧换热器后被加热升温。

  机组一般结构及配置特点

  工业除湿机厂家

  

  涡旋压缩机

  工业除湿机厂家

  

  涡旋压缩机具有体积小、重量轻、效率高、振动与操作低、运行可靠、加工精度要求高等特点。

  换热器

  工业除湿机厂家

  

  双系统板式换热器:每个制冷剂回路都与水回路相邻,部分负荷时冻冰风险大为降低。部分负荷时传热温差增加20%,COP增大4%。

  工业除湿机厂家

  套管式换热器:制冷剂在换热管内强制对流沸腾并冷却管壁,循环水在管束外强制对流并加热管壁,两种介质通过换热管壁传热。

  工业除湿机厂家

  风冷翅片换热器:采用优质铜管与由亲水膜材料制成的强化铝翅片经涨管机涨管而成。管片结合紧密,传热效率高;运行维护、清洁方便。

  四通换向阀

  工业除湿机厂家

  

  四通换向阀是一种两进两出的特殊电磁阀,用于压缩式热泵系统供暖与制冷工况转换。当热泵从制冷工况转为供暖工况时,四通换向阀动作(转到供暖工况位置),于是室内蒸发器作为冷凝器用,压缩机排出的高温制冷剂蒸汽经四通流入室内蒸发器(此时作冷凝器用),而冷凝器则成为蒸发器,完成工况转换。

  节流阀

  工业除湿机厂家

  

  热力膨胀阀:是调节进入蒸发器中挥发性制冷剂流量的控制机构。具有的作用:节流降压、控制流量、控制过热度。

  工业除湿机厂家

  电子膨胀阀是按照预设程序调节蒸发器供液量,因属于电子式调节模式,故称为电子膨胀阀。对于热力膨胀阀,当环境温度较低,其感温包内部的感温介质的压力变化大大减小,严重影响了调节性能。而对于电子膨胀阀,其感温部件为热电偶或热电阻,它们在低温下同样能准确反应出过热度的变化。因此,在冷藏库的冻结间等低温环境中,电子膨胀阀也能提供较好的流量调节。

  电磁阀

  工业除湿机厂家

  防止液击

  干燥过滤器

  工业除湿机厂家

  机组系统的清洁卫士

  视液镜

  工业除湿机厂家

  均液器

  工业除湿机厂家

  平均分配制冷剂

  过滤器

  工业除湿机厂家

  有效改善水质条件

  水流开关

  工业除湿机厂家

  有效改善水流条件,合适的水流量是空调主机可靠工作的必要保证。

  控制器

  工业除湿机厂家

  安全?;ぁ⒃冻炭刂频裙δ?。

  几种换热器比较

  工业除湿机厂家

  机组设计安装及应用

  设备选型(估算)

  通常根据制冷负荷估算:房间制冷量=单位负荷指标×房间面积

  工业除湿机厂家

  根据计算负荷、进出水温度、环境温度等值查选样本选择能满足条件的机型!(条件需要重点考虑)

  水系统形式及对比

  水系统形式一般有:同程式、异程式、混合式。

  工业除湿机厂家

  同程式连接示意图

  工业除湿机厂家

  异程式连接示意图

  工业除湿机厂家

  

  混合式连接示意图

  工业除湿机厂家

  

  水泵的选择与水系统配件

  所谓水泵的选取计算其实就是估算(很多计算公式本身就是估算的),估算分的细致些考虑的内容全面些就是精确的计算。暖通南社在推送的课件中多次提到。

  水泵扬程简易估算法:

  Hmax=△P1+△P2+0.05L(1+K)

  △P1为冷水机组蒸发器的水压降。

  △P2为该环中并联的各占空调未端装置的水压损失最大的一台的水压降。

  L为该最不利环路的管长。

  K为最不利环路中局部阻力当量长度总和和与直管总长的比值,当最不利环路较长时K值取0.2~0.3,最不利环路较短时K值取0.4~0.6。

  水流量计算

  1、冷却水流量:一般按照产品样本提供数值选取,或按照如下公式进行计算,公式中的Q为制冷主机制冷量:

  L(m3/h)=[Q(kW)/(4.5~5)℃x1.163]×(1.15~1.2)

  2、冷冻水流量:在没有考虑同时使用率的情况下选定的机组,可根据产品样本提供的数值选用或根据如下公式进行计算。如果考虑了同时使用率,建议用如下公式进行计算。公式中的Q为建筑没有考虑同时使用率情况下的总冷负荷。

  L(m3/h)=Q(kW)/(4.5~5)℃×1.163

  3、冷却水补水量一般1为冷却水循环水量的1~1.6%。

  水系统配件

  工业除湿机厂家

  工业除湿机厂家

  安装方式与安装空间

  安装方式及优缺点

  工业除湿机厂家

  工业除湿机厂家

  安装空间

  工业除湿机厂家

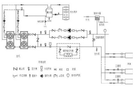
  热回收??樗苈钒沧笆疽馔?/strong>

  工业除湿机厂家

  工业除湿机厂家

  工业除湿机厂家

  工业除湿机厂家

  工业除湿机厂家

  工业除湿机厂家

  热回收概念及其形式

  关于风冷热回收,暖通南社在相关课件多次提到。这里简单阐述下。

  热回收概念

  如下图,在lgP-H图中

  2点到5点的过程为整个冷凝过程

  2点到3点是制冷剂的过热段显热放热过程

  3点到4点是制冷剂的潜热放热过程

  4点到5点是制冷剂的过冷段显热放热过程

  工业除湿机厂家

  部分热回收指部分利用制冷剂的冷凝热加热生活用水,水温高于冷凝温度(上图2—3过程);

  全部热回收指制冷剂过热蒸气冷却、冷凝和过冷,冷凝热全部回收加热生活用水,水温低于冷凝温度(上图2—5过程)。

  部分热回收:只利用压缩机出口蒸汽显热,蒸汽显热一般占全部冷凝热的15﹪左右,其它的冷凝热在冷凝器中被风机带走;

  全热回收:利用全部的冷凝热。

  工业除湿机厂家

  工业除湿机厂家

  机组热回收内部结构与特点

  工业除湿机厂家

  机组热回收内部结构与特点

  风冷热泵全热回收—制冷

  此时与普通风冷冷水机组一样使用,提供空调用冷冻水。制冷剂直接流入风冷冷凝器冷凝。

  工业除湿机厂家

  风冷热泵全热回收—制冷+热回收

  高温高压的制冷剂直接从压缩机至热回收器,机组在提供7℃冻水的同时又提供55℃生活热水。COP极高,最节能。

  工业除湿机厂家

  风冷热泵全热回收置—空调制热

  此时与普通风冷热泵机组一样使用,提供空调用热水。制冷剂直接流入水侧换热器,从空气中吸取热量。

  工业除湿机厂家

在线客服
联系方式

热线电话

133-6050-3273

上班时间

周一到周六

公司电话

133-6050-3273

二维码
线